

Recoil Spring For Mountfield Chainsaw Models MC438 & MC640 Part No. 118800741/0
This is a genuine Titan replacement part which is made by Mountfield, built to very high standards and an exact replacement for the original part
Genuine recoil spring fits Titan models listed
- Mountfield MC438 (2012-2015 models)
- Mountfield MC640 (2012-2015 models)
Part number - 118800741/0
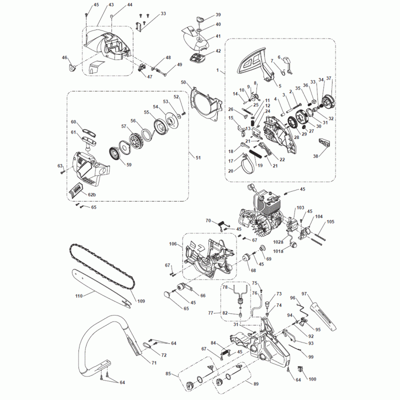
Part number 59 on the diagram
FAQ
Frequently Asked Questions
Questions we get asked by our customers. If you need more help please get in touch via our chat.
We aim to dispatch all orders within 1 business day. Orders placed before 2pm are usually shipped the same day.
We ship 99% of our orders via Royal Mail. If you select the free shipping option, you will typically receive your parts within 4 working days.
We stock both genuine parts and premium aftermarket alternatives under our own brand, HardRidge Parts, designed for durability and performance.
Each product page includes compatibility information. If you’re unsure, just contact us with your model number—we’re happy to help.
Look for a sticker on the lawnmower deck—it will show the model year and often an ART number. We can identify your machine using that information.
We offer a 30-day return policy. Parts must be unused and in their original condition. Please see our Returns Policy page for full details.
At the moment, we only ship within the UK.
Orders under £30 are sent via Royal Mail 2D tracking, which provides delivery confirmation but not live updates. Orders over £30 are sent with a fully tracked service via Royal Mail or Evri.
You can email us atsales@outdoorspares.comor use the contact form on our Contact Us page. We typically respond within 24 hours on business days. We also offer live chat and usually reply straight away, though during busy periods it may take a little longer.
